欢迎访问上海海龙仪器厂官方网站!
021-58036218,58036216
整站搜索:
……
您所在的位置:
产品详细信息
产品中心
PRODUCTS
食品中有机磷/氯农药残留分析

食品中有机磷/氯农药残留分析

描述:食品中有机磷农药残留分析

食品中有机氯农药残留分析


更新时间:2020-09-18

产品型号:

厂商性质:生产厂家


0.00
0.00
  

描述:食品中有机磷农药残留分析

食品中有机氯农药残留分析


更新时间:2020-09-18

产品型号:

厂商性质:生产厂家


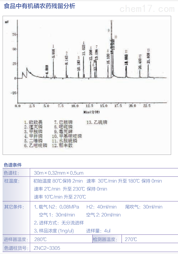
食品中有机磷农药残留分析

 

色谱条件
色谱柱30m*0.32mm*0.5um
柱温度初始温度80℃   保持2min   速率30℃/min   升至180℃   保持0min   速率2℃/min  升至230℃  保持0min  速率10℃/min   升至270℃
进样器280℃
检测器270℃
其它条件1、载气N2:0.08MPa    H2:40ml/min    尾吹气:30ml/min   空气1:30ml/min   空气2:20ml/min

2、进样方式:无分流进样

3、样品浓度(1ng/ul)     进样量:4ul
色谱柱货号ZNC2-3305

 

 

 

食品中有机氯农药残留分析

 特点:毛细管柱恒温分析,基线分离六六六和DDT八组分

 

色谱条件
色谱柱30m*0.32mm*0.25um
柱温度210℃
进样器230℃
检测器230℃
其它条件1、载气N2:0.02MPa      尾吹气:30ml/min

2、进样方式:分流进样    分流比50:1   分流流量:20-30sec/10min

3、样品浓度(1ng/ul)     进样量:1ul
色谱柱货号ZNC1-3302